微信二维码微信二维码加入收藏English  
·电 话:86-632-5996668 
               86-632-5996669
·传 真:86-632-5915035
·微信:18863233899
·邮箱:sales@zhchain.com.cn
详细说明

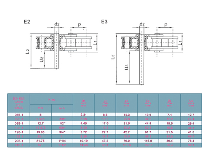
E2 E3

产品推荐: CA型钢制农用滚子链 |  齿形链 |  重载传动用弯板链 |  侧弯滚子链 |  木材输送链 |  工程用焊接链 |  倍速链 |  钢制销合链 |  摩托车链条 |  摩托车时规链条(正时链条) | 
友情链接:
版权所有:山东中恒工业科技股份有限公司 Copyright@2012-2015 All Righhts Reserved. 备案号:鲁ICP备19046665号 技术支持:新时代网络